DCD-5A差動繼電器應用范圍及接線圖-上海上繼科技有限公司
發表時間:2019-08-31 17:42 瀏覽次數:1092 〖返回〗
一、DCD-5A型差動繼電器應用范圍
額定電流5A,額定頻率50Hz。
無直流分量時,繼電器起始動作安匝AWo=60±4。
當用于保護三繞組變壓器時繼電器的動作電流可在3-12A的范圍內進行整定(AWo=50) ,對于動作電流的最小整定值,其**平衡系數接近于2。
當用于保護兩繞組變壓器時,動作電流可以在1.55 ~ 12A(AWo=60)這樣更細的范圍內調整。
制動系數
繼電器在工作繞組中的動作電流對制動繞組中的電流(當AWr=280時的比值)可以改變。
a.對于**整定動作電流為0.18以上 ;
b.對于3A的整定動作電流為0.63以下;
圖3為制動電流與工作電流間有不同的移相角時AWp=f(AWr)的關系曲線。 由圖3可以看出制動系數與工作電流和制動電流間移相角的關系不能超過這兩條特性曲線。

可靠系數
繼電器的可靠系數應不小于1.35 。
當差動繼電器動作時,其動作電流為Icp,執行元件的正弦動作電流為icp,然后轉動指針擰緊游絲,使得繼電器的動作電流為5Icp, 并測量執行元件相應的正弦動作電流Icp5 , 按下式算出可靠系數。

在相同的情況下,當差動繼電器的動作電流為2Icp時,上述比便不小于1.2。
3倍動作電流時,差動繼電器的動作時間不大于0.035s,,
功效消耗
在額定電流時,繼電器的單相功效消耗不應大于如下規定。
a.在正常情況下,當變流器的制動和平衡繞組的匝數全部接入時,不大于8.5VA。
b在區內故障時,變流器的制動,平衡和工作繞組的匝數全部接入時,不大于20VA。
在正常情況下,繼電器的工作繞組,制動繞組,平衡繞組能長期通過10A的電流。
觸點性能
繼電器觸點應能斷開電壓不超過250V及電流不超過2A,容量為50W的有感負荷(時間常數為5±0.75ms)的直流回路,觸點在此規定負荷的條件下,繼電器應可靠操作1000次。
機械壽命
繼電器的機械壽命為104次。
繼電器各導電電路連在一起對地(或絕緣外殼的外露非導電金屬部分)以及在電氣上無聯系的各導電電路之間應承受2KV (有效值) 50Hz的交流試驗電壓,歷時1min試驗而無絕緣擊穿或閃絡現象。
繼電器能耐受幅值5kV的沖擊電壓,此后無絕緣損壞現象。
繼電器的重量約5kg。
繼電器的繞組見數據表1。

二、DCD-5A型差動繼電器接線圖
DCD-5A基本結構
繼電器由具有一副動合觸點的高靈敏、高可靠性的電磁型執行機構和一個中間速飽和變流器組成。該執行機構為電磁型繼電器, 在繼電器中被作為出口元件。
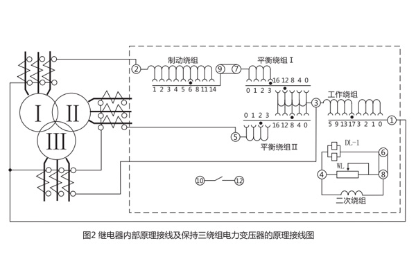
變流器的導磁體由“E”形導磁片疊裝而成,在導磁體的中間柱上放置工作繞組(差動繞組)及平衡繞組I和平衡繞組II,二次及制動繞組是均分成兩半,分別繞在兩個邊柱上,繞組在導磁體上的分布如圖1所示。繼電器的內部接線及其保護三繞組電力變壓器的原理接線圖如圖2所示。由于具有平衡繞組,且每隔一匝有抽頭以便調整,用以消除由于電流互感器變比不一致等原因引起的不平衡電流的效應。具有兩個平衡繞組就使得繼電器能用于保護三繞組的電力變壓器。
動作電流,平衡作用及制動特性可通過工作繞組、平衡繞組及制動繞組的匝數在寬廣的范圍內進行整定。
DCD-5A基本原理
當在制動繞組中通過短路穿越電流時,變流器的導磁體被飽和因而在保證同樣制動特性情況下從差動繞組及平衡繞組到二次繞組的電流感應條件惡化了,二次繞組及制動繞組的兩半是這樣聯接的,使在兩繞組中的電勢是由工作繞組的磁通引起的,為了能改變變流器導磁體的飽和程度,制動繞組的匝數被做成是可以改變的。
采用變流器可以同時防止勵磁涌流及電力變壓器空載合閘時繼電器的誤動作。
接在變流器二次繞組上的是執行元件。并規定其動作電壓與動作電流,動作電壓反應變流器的工作磁通密度,動作電流決定了變流器的功率分配比例,同時滿足生產上通用性的要求。這種執行元件的特點在于其線圈是電感性的,在變流器飽和的情況下二次感應電勢中含有顯著的高次諧波,因此這種執行元件便是一個很好的高次諧波濾過器,它基本上反映變流器工作磁通密度的基波。
繼電器的原理接線圖見圖2。


公司介紹:上海上繼科技有限公司是一家專業從事電力系統繼電保護及智能電網電力自動化產品的研發、設計、生產、銷售和服務為一體的高科技公司。擁有資深繼電保護專家團隊和國內**的檢測儀器及校驗設備。同時還引用國內外先進技術,來進行技術創新。本公司的產品廣泛用于電力、工礦、鐵路、建筑等國家重大工程輸配變電系統上,產品遠銷東南亞及中東地區。產品通過國家繼電保護及自動化設備質量監督檢驗中心檢測,獲得ISO-9001:2000國際質量體系認證?!翱萍紕撔?,誠信務實”是公司的經營理念,本公司以高超的技術支持和對用戶高度負責的售后服務贏得了輸配電成套企業的信賴,且樹立了良好的信譽。
上海上繼科技有限公司(專注電力保護繼電器生產廠家)銷售熱線:021-57233089 QQ:1932551438
{以上內容僅供參考,上海上繼科技有限公司有最終解釋權}
更多繼電器精彩文章——DCD-2A差動繼電器開孔尺寸及說明書





