DZ-700/8000中間繼電器結構及參數-上海上繼科技有限公司
發表時間:2019-08-14 10:03 瀏覽次數:893 〖返回〗
一、DZ-700/8000中間繼電器的概述
DZ-700/8000中間繼電器做為一種輔助繼電器,用于直接操作的各種保護和自動控制裝置中,以增加觸點的數量及容量。
二、DZ-700/8000中間繼電器的結構
該繼電器是在DM-1型電碼繼電器的基礎上增加底座和外殼而成。殼體結構采用JK-1(凸出式后接線)、JKF-1Q(凸出式接線)、JK-6/1(嵌入 式后接線)標準組件,訂貨需指明。
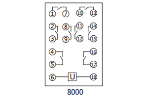
三、DZ-700/8000中間繼電器的接線圖

四、DZ-700/8000中間繼電器的參數
DZ-700/8000中間繼電器主要技術數據見表

注:觸點形式由4位數字組成,左起第一位表示動合觸點數量;第二位表示動斷觸點數量;第三位表示轉換觸點數量;第四位表示過渡轉換觸點數量。
五、DZ-700/8000中間繼電器的介質強度
對下部位應能承受規定的交流電壓試驗1分鐘而無絕緣擊穿或閃絡現象。
①所有導電端子與外露非帶電金屬或外殼之間2000V/50Hz;
②動、靜觸點之間1000V/50Hz;
③常開觸點(繼電器上的NO)與常閉觸點(繼電器上的NC)之間1000V/50Hz;
④觸點與電壓回路之間1000V/50Hz。
公司介紹:上海上繼科技有限公司是一家專業從事電力系統繼電保護及智能電網電力自動化產品的研發、設計、生產、銷售和服務為一體的高科技公司。擁有資深繼電保護專家團隊和國內**的檢測儀器及校驗設備。同時還引用國內外先進技術,來進行技術創新。本公司的產品廣泛用于電力、工礦、鐵路、建筑等國家重大工程輸配變電系統上,產品遠銷東南亞及中東地區。產品通過國家繼電保護及自動化設備質量監督檢驗中心檢測,獲得ISO-9001:2000國際質量體系認證?!翱萍紕撔?,誠信務實”是公司的經營理念,本公司以高超的技術支持和對用戶高度負責的售后服務贏得了輸配電成套企業的信賴,且樹立了良好的信譽。
上海上繼科技有限公司(專注電力保護繼電器生產廠家)銷售熱線:021-57233089 QQ:1932551438
{以上內容僅供參考,上海上繼科技有限公司有最終解釋權}
更多繼電器精彩文章——DZK-911中間繼電器參數及接線圖





