DJ-121電壓繼電器接線圖及開孔尺寸-上海上繼科技有限公司
發表時間:2019-07-20 09:03 瀏覽次數:1107 〖返回〗
一、DJ-121電壓繼電器的概述
電壓繼電器是一種電子控制器件,它具有控制系統(又稱輸入回路)和被控制系統(又稱輸出回路),通常應用于自動控制電路中,它實際上是用較小的電流去控制較大電流的一種“自動開關”。故在電路中起著自動調節、安全保護、轉換電路等作用。主要用于發電機、變壓器和輸電線的繼電保護裝置中,作為過電壓保護或低電壓閉鎖的啟動原件。
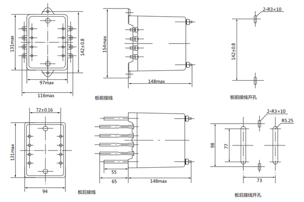
二、DJ-121電壓繼電器的接線圖

三、DJ-121電壓繼電器的原理
電壓繼電器分為凸出式固定結構,凸出式插拔式結構,嵌入式插拔結構等,并有透明的塑料外罩,可以觀察繼電器的整定值和規格等。
電壓繼電器磁系統有兩個線圈,線圈出頭接在底座端子上,用戶可以根據需要串并聯,因而可使繼電器整定范圍變化一倍。
電壓繼電器銘牌的刻度值及額定值對于電流繼電器是線圈串聯時的電流(以A為單位),對于電壓繼電器是線圈并聯時的電壓(以V為單位)。轉動刻度盤上的指針,以改變游絲的反作用力矩從而可以改變繼電器的動作值。
電壓繼電器的動作:對于過電流(壓)繼電器,電流(壓)升至整定值或大于整定值時,繼電器就動作,動合觸點閉合,動斷觸點斷開。當電流(壓)降低到0.8倍整定值時,繼電器就返回,動合觸點斷開,動斷觸點閉合,對于低電壓繼電器,當電壓降低到整定電壓時,繼電器就動作,動合觸點斷開,動斷觸點閉合。
四、DJ-121電壓繼電器的動作時間
在1.1倍實測動作值時,過電壓繼電器的動作時間不大于0.12 s(對DY-32~34/60C不大于0.15 s);在2倍實測動作值時,動作時間不大于0.04 s(對DY-32~34/60C不大于0.06 s);低電壓繼電器在0.5倍實測動作值時,動作時間不大于0.15s。
五、DJ-121電壓繼電器的開孔尺寸

公司介紹:
上海上繼科技有限公司是一家專業從事電力系統繼電保護及智能電網電力自動化產品的研發、設計、生產、銷售和服務為一體的高科技公司。
公司依托國際大都市上海的優越環境,擁有資深繼電保護專家團隊,熟悉中國電網實際運行特點,聯合國內外**高校不斷引進國內外先進技術,積極響應市場的需求,技術不斷創新,堅持行業**地位,主要生產電力繼電器及微機綜合保護裝置,電力智能配電設備,變電站自動化監控系統。產品廣泛用于電力、工礦、鐵路、建筑等國家重大工程輸配變電系統上,產品遠銷東南亞及中東地區。
公司具備國內**的檢測儀器及校驗設備,建立了模擬運行老化系統,以精湛的技術嚴格的生產制造工藝,健全的生產管理體系,精耕細作,精益求精。產品通過國家繼電保護及自動化設備質量監督檢驗中心檢測,獲得ISO-9001:2000國際質量體系認證。
“科技創新,誠信務實”是公司的經營理念,上繼科技以售前技術支持,售后完善服務,在電力系統中樹立了良好的聲譽,深受各大設計院的認可,贏得輸配電成套企業的信賴。上繼科技本著對社會,對用戶高度的責任感,堅持走專業化道路,繼續創新超越,為我國智能電網電力自動化做出更大的貢獻!
上海上繼科技有限公司(專注電力保護繼電器生產廠家)銷售熱線:021-57233089 QQ:1932551438
{以上內容僅供參考,上海上繼科技有限公司有最終解釋權}
更多繼電器精彩文章——DY-27D電壓繼電器安裝尺寸及接線圖





