JY-3/1電壓繼電器參數及開孔尺寸-上海上繼科技有限公司
發表時間:2019-07-13 16:38 瀏覽次數:1124 〖返回〗
一、JY-3/1電壓繼電器的應用范圍
JY-3/1電壓監視繼電器是為了直流電源裝置設計的電壓監測專用繼電器,在主回路電壓(即控制母線電壓)為180-240V時,可監測主回路的欠電壓或過電壓狀態,同時還可監測副回路(即合閘母線回路和充電機回路)在180-360V范圍內的欠電壓狀態。
二、JY-3/1電壓繼電器的參數
●額定值:直流電壓額定值(接蓄電池)200V(③為正極;⑨為負極)
●整定范圍:主回路(①、⑨端子之間,即控制母線電壓)電壓整定范圍為:180~240V;副回路(⑤、⑦與⑨端子之間,即充電機電壓和 合閘母線電壓)動作電壓整定范圍為:180~360V。
●動作一致性:不大于3%。
●返回系數:過電壓回路返回系數不小于0.95;欠電壓回路返回系數不大于1.05。
●動作時間:過電壓回路施加1.1倍整定值時動作時間為1.5s;欠電壓回路施加激勵量從整定值突變到0.5倍整定值時動作時間為1.5s。
●功率消耗:當電源回路施加額定值時,產品的功率消耗不大于15W(使所有繼電器都動作)。
●觸點容量:在電壓不超過250V,電流不超過5A,時間常數為5±0.75ms的直流有感負荷電路中,產品輸出觸點的斷開容量為50W。輸 出觸點在上述規定的負荷條件下,產品能可靠動作及返回5×104次。輸出觸點長期允許接通電流為5A。
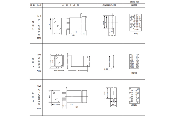
三、JY-3/1電壓繼電器的開孔尺寸
JY-3/1采用A11殼體,如圖所示

四、JY-3/1電壓繼電器的原理
靜態電壓繼電器分為凸出式固定結構,凸出式插拔式結構,嵌入式插拔結構,導軌式結構等,并有透明的塑料外罩(導軌式為全封閉式),用薄碼進行整定。
當被測量的交流電壓經隔離變壓器降壓后得到與被測電壓成正比的電壓Ui,經整定后進行整流,整流后脈沖電壓經濾波器濾波,得到與Ui成正比的直流電壓Uo,在電平檢測中Uo與直流參考電壓Ue進行比較,若直流電壓 Uo 高于參考電壓,電平檢測器輸出正信號,驅動出口繼電器,則本繼電器處于動作狀態。反之,不論是過電壓繼電器或是低電壓繼電器,若直流電壓 Uo 低于參考電壓Ue,電平檢測器輸出負信號,本繼電器處于不動作狀態。
公司介紹:上海上繼科技有限公司是一家專業從事電力系統繼電保護及智能電網電力自動化產品的研發、設計、生產、銷售和服務為一體的高科技公司。擁有資深繼電保護專家團隊和國內**的檢測儀器及校驗設備。同時還引用國內外先進技術,來進行技術創新。本公司的產品廣泛用于電力、工礦、鐵路、建筑等國家重大工程輸配變電系統上,產品遠銷東南亞及中東地區。產品通過國家繼電保護及自動化設備質量監督檢驗中心檢測,獲得ISO-9001:2000國際質量體系認證?!翱萍紕撔?,誠信務實”是公司的經營理念,本公司以高超的技術支持和對用戶高度負責的售后服務贏得了輸配電成套企業的信賴,且樹立了良好的信譽。
上海上繼科技有限公司(專注電力保護繼電器生產廠家)銷售熱線:021-57233089 QQ:1932551438
{以上內容僅供參考,上海上繼科技有限公司有最終解釋權}
更多繼電器精彩文章——JX-C/3信號繼電器技術數據及安裝尺寸





