SS-62時間繼電器外接線圖及開孔尺寸-上海上繼科技有限公司
發表時間:2019-07-11 16:53 瀏覽次數:1022 〖返回〗
一、SS-62時間繼電器簡介
時間繼電器(time relay)是一種利用電磁原理或機械原理實現延時控制的自動開關裝置。當加入(或去掉)輸入的動作信號后,其輸出電路需經過規定的準確時間才產生跳躍式變化(或觸頭動作)的一種繼電器。是一種使用在較低的電壓或較小電流的電路上,用來接通或切斷較高電壓、較大電流的電路的電氣元件。同時,時間繼電器也是一種利用電磁原理或機械原理實現延時控制的控制電器。它的種類很多,有空氣阻尼型、電動型和電子型等。
二、SS-62時間繼電器接線圖及端子圖

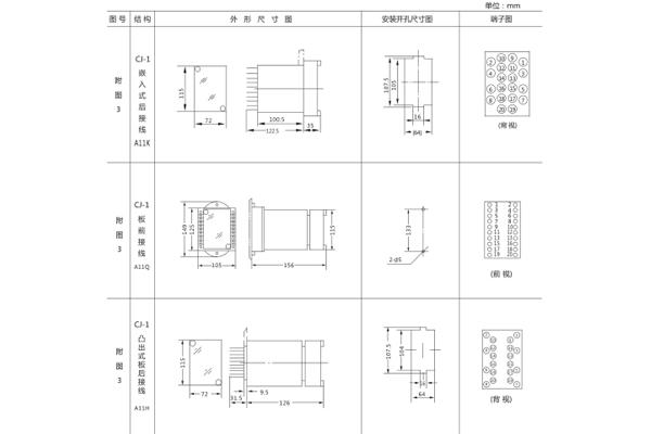
三、SS-62時間繼電器外形及開孔尺寸

四、SS-62時間繼電器主要技術數據
·額定電壓:AC50Hz,220V、 127V、 110V、 100V;DC220V、 110V、48V、24V;
·延時整定范圍: 0.1-999.9s。
·延時級差: 0.1s。
·觸點形式:二副延時轉換。
·動作值: SS-61動作電壓不大于85%的額定電壓(交流動作) ; SS-62動作電壓不大于70%的額定電壓(直流動作)
·返回值:返回電壓不小于5%額定電壓。
·整定誤差:不大于±1%。
·動作延時一致性:不大于整定值的1%。
·功率消耗: SS-61不大于4VA; SS-62不大于6.6W。
·觸點容量:在電壓不超過250V,電流不超過5A,時間常數為5±0.75ms的直流有感負荷電路中,產品輸出觸點的斷開容量為50W。輸出觸點在上述規定的負荷條件下,產品能可靠動作及返回5x104次。輸出觸點長期允許接通電流為5A。
·介質強度:產品各導電端子連在一起 ,對外露的非帶電金屬部分或外殼之間,能承受2000V(有效值)50Hz的交流電壓歷時1分鐘試驗而無絕緣擊穿或閃絡現象。
五、SS-62時間繼電器應用范圍
SS-62時間繼電器主要用于各種控制和繼電保護電路中 ,達到自動延時轉換電路的目的。
上海上繼科技有限公司 是一家專業從事電力系統繼電保護及智能電網電力自動化產品的研發、設計、生產、銷售和服務為一體的高科技公司。公司依托國際大都市上海的優越環境,擁有資深繼電保護專家團隊,熟悉中國電網實際運行特點,聯合國內外**高校不斷引進國內外先進技術,積極響應市場的需求,技術不斷創新,堅持行業**地位,主要生產電力繼電器及微機綜合保護裝置,電力智能配電設備,變電站自動化監控系統。產品廣泛用于電力、工礦、鐵路、建筑等國家重大工程輸配變電系統上,產品遠銷東南亞及中東地區。
公司具備國內**的檢測儀器及校驗設備,建立了模擬運行老化系統,以精湛的技術嚴格的生產制造工藝,健全的生產管理體系,精耕細作,精益求精。產品通過國家繼電保護及自動化設備質量監督檢驗中心檢測,獲得ISO-9001:2000國際質量體系認證。
上海上繼科技有限公司(專注時間繼電器生產廠家)銷售熱線:021-57233089 QQ:1932551438
(以上內容僅供參考,上海上繼科技有限公司有最終解釋權}
更多繼電器精彩文章→SS-22/3時間繼電器主要技術數據及端子圖





