SSJ8-12E高精度時間繼電器接線圖及應用范圍-上海上繼科技有限公司
發表時間:2019-12-18 14:58 瀏覽次數:1233 〖返回〗一、SSJ8-12E高精度時間繼電器應用范圍
SSJ8-12E高精度時間繼電器用于電力系統繼電保護、控制回路或工業控制的直流、交流電路中作為延時控制元件之用。尤其適用于時間測量精度要求高,配合時間級差小的場合。

二、SSJ8-12E高精度時間繼電器型號命名及含義型號分類及規格


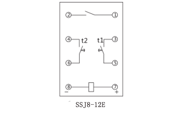
三、SSJ8-12E高精度時間繼電器技術參數及接線圖
1.延時范圍
A: 0.04~9.99S級差為0.01S
B: 0.1~99.9S級差為0.1S
C:1~999S級差為1S
D:1~999M級差為1M
E:1~999H級差為1H
2.延時一致性在基準條件下:
a)延時整定為0.04s~0.99s時,一致性不大于3ms;
b)延時整定大于或等于1s時,一致性不大于(0.1%整定值+3ms);
3.延時整定誤差在基準條件下,平均誤差不大于(0.1%整定值±3ms)。
4.返回時間:繼電器返回時間不大于25ms。
5.功耗:在額定電壓下,繼電器功率消耗不大于10W。
6.觸點性能在電壓不超過250V,電流不超過1A,時間常數為5ms±0.75ms直流電路中,斷開容量為30W;在電壓不超過250V,電流不超過5A,功率因數為COSφ=0.4±0.1的交流電路中,斷開容量為250VA。 繼電器的電壽命為104次。
7.介質強度
繼電器各導電路對外露的非帶電金屬部分及外殼之間,應能承受2kV(有效值), 50Hz的交流試驗電壓,歷時1min的試驗,應無絕緣擊穿或閃絡現象。

公司介紹:上海上繼科技有限公司是一家專業從事電力系統繼電保護及智能電網電力自動化產品的研發、設計、生產、銷售和服務為一體的高科技公司。擁有資深繼電保護專家團隊和國內**的檢測儀器及校驗設備。同時還引用國內外先進技術,來進行技術創新。本公司的產品廣泛用于電力、工礦、鐵路、建筑等國家重大工程輸配變電系統上,產品遠銷東南亞及中東地區。產品通過國家繼電保護及自動化設備質量監督檢驗中心檢測,獲得ISO9001國際質量體系認證。“科技創新,誠信務實”是公司的經營理念,本公司以高超的技術支持和對用戶高度負責的售后服務贏得了輸配電成套企業的信賴,且樹立了良好的信譽。
公司主營:繼電器(時間繼電器,電壓繼電器,電流繼電器,中間繼電器,信號繼電器,閃光繼電器,沖擊繼電器,同步檢查繼電器,接地繼電器,差動繼電器,重合閘繼電器,絕緣監視繼電器,雙位置繼電器,模數化繼電器),微機保護裝置,電力儀表,智能操控裝置
上海上繼科技有限公司(專注電力保護繼電器生產廠家)銷售熱線:021-57233089 QQ:1932551438
{以上內容僅供參考,上海上繼科技有限公司有最終解釋權}
更多繼電器精彩文章——SSJ8-12B高精度時間繼電器產品圖片及產品價格





