JC-17/1繼電器-上海上繼科技有限公司
發表時間:2019-11-25 13:40 瀏覽次數:1449 〖返回〗
一、JC-17/1繼電器概述
JC-17/1繼電器(以下簡稱產品)用于電力系統直流操作的繼電保護及控制回路中,作為集中信號的主要元件。
1.1主要特點
1.1.1產品具有手動復歸與延時自動復歸兩種復歸方式。
1.1.2在預告延時時間可內,動作電流為一個長信號與短信號重督時,只要長信號不返回,產品應可靠動作。
1.1.3產品內附延時預告信號的延時時間元件和報警定時時間元件,可省去外部的兩只時間繼電器。
1.1.4音響報警時,除手動復歸音響外,產品可經定時回路自動解除音響。
1.1.5產品對白熾燈光字牌燈絲冷熱態電阻的變化、電源紋波以及觸點料動的影響均能有較強的抑制能力,保證產品正確動作。
1.1.6產品適用于不同的中央信號接線方式,不論產品接于電源的正端或負端,均無需設置跨線。
1.1.7產品具有很小的功耗,因此不需要外附電阻。
二、JC-17/1繼電器技術參數
2.1額定參數
a)輔助電壓額定值: DC220、110、48V;
b)最小動作電流: DC100mA、15mA。
2.2動作電流:產品的動作電流不大于最小動作電流的80%。
2.3**長期穩定電流: 2A( 100mA規格) , 0.45A( 15mA規格) 。
2.4預告延時時間調節范圍: 1~10s范圍內連續可調,在任一點一致性不大于10%。
2.5報警定時時間調節范圍: 0.5~5s范圍內連續可調,在任一點一致性不大于10%。
2.6在預告延時時間內,當動作電流為一個長信號與短信號重疊時,只要長信號不返回,產品應可靠動作。
2.7功率消耗:
動作電流回路功耗:產品在**沖擊電流路數時的功耗不大于2.5W;
直流輔助電壓回路功耗:產品在額定電壓時的功率消耗不大于2.5W。
2.8觸點性能
2.8.1在電壓不超過250V,電流不超過2A,時間常數為5±0.75ms的直流有感負荷回路中,產品輸出觸點的斷開容量為30W。
2.8.2在電壓不超過250V,電流不大于2A的交流電路(cos(p=0.4±0.1)中,觸點的斷開容量為50VA。
2 .8.3輸出觸點電路在上述負荷條件下,裝置應可靠動作及返回5x103次。
2.9絕緣性能
2.9.1產品下列部位應進行絕緣性能測試;
a)各常電的導電電路分別對地之間 ;
b)無電氣聯系的各帯電的導電電路之間 。
2.9.2絕緣電阻
對2.9.1所列部位,用開路電壓為500V的測試儀器測定,其絕緣電阻不小于300M0。
2.9.3介質強度
對2.9.1所列部位,應承受頻率為50Hz的交流試驗電壓2kV(有效值) ,歷時1min的檢驗,無閃絡或擊穿現象
2.9.4沖擊電壓
對2.9.1所列部位,能承受標準雷電波的短時沖擊電壓試驗,試驗電壓為5kV
2.10承受衰減振蕩波干擾能力
能承受GB/T14598.13-1998規定的頻率為1MHz及100kHz衰減振蕩波(第一個關波電壓輻值共模2.5kV,差模為1.0kV) 脈沖群干流試驗。
2.11承受靜電放電干流
能承受G B/T G B/T14598. 14-1998規定的嚴酷等級為m級的靜電放電干流試驗 ;
2.12承受輻謝電磁場干流
能承受GB/T GB/T14598.9-1995規定的嚴酷等級為m級的輻射電磁場干擾試驗;
2.13承受快速瞬變干流
能承受G B/T G B/T14598. 10- 1997第4章規定的嚴酷等級為m級的快速瞬變干擾試驗。
2.14機械性能
工作條件:能承受嚴酷等級為 I級的振動響應檢驗。
運輸條件:能承受嚴酷等級為 I級的振動耐久、沖擊耐久、碰撞檢驗。
2.15環境條件
環境溫度: -10~+50°C, 貯運-25~70°C在極限溫度下不施加激勵量產品不出現不可逆變化,恢復后產品應能正常工作,,相對濕度:最溫月的月平均**相對濕度為90% ,同時該月的月平均**溫度為+25°C,且表面無凝露;**溫度為+40°C時,平均**相對濕度不超過50%,
三、JC-17/1繼電器使用方法
3. 1整定方法
產品預告延時時間,報警定時時間由銘牌上的可調電阻整定,預告延時時間調節范圍1~10s范圍內連續可調,報警延時時間調節范圍為0. 5-5s范圍內連續可調,旋動可調電阻即可改變整定時間。


3.2使用注意事項
如果繼電器接于信號電源的負端,則端子4接信號的正電源,端子7接信號的負電源,由端子5輸入報警電流,由端子2接入信號正電源用于手動復歸報警音響,端子1、3為一對動合觸點。
如果繼電器接于信號電源的正端,則端子5接信號的正電源,端子4接信號的負電源,由端子7輸入報警電流,由端子2接入信號負電源用于手動復報警音響,端子1、3為一對動合觸點。
本繼電器內部印制電路板上安裝了熔斷器,在光字牌短路時,熔斷器熔斷,只要更換熔斷器即可恢復工作,可防止光字牌短路時損壞繼電器。熔斷器規格為5A(動作電流為100mA)或1A(動作電流為15mA) 。
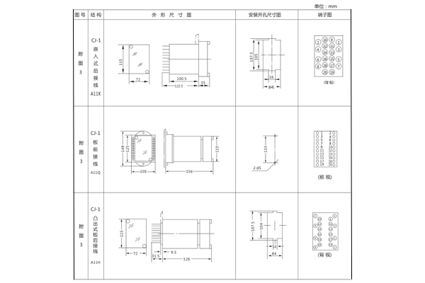
四、JC-17/1繼電器開孔尺寸

公司介紹:上海上繼科技有限公司是一家專業從事電力系統繼電保護及智能電網電力自動化產品的研發、設計、生產、銷售和服務為一體的高科技公司。擁有資深繼電保護專家團隊和國內**的檢測儀器及校驗設備。同時還引用國內外先進技術,來進行技術創新。本公司的產品廣泛用于電力、工礦、鐵路、建筑等國家重大工程輸配變電系統上,產品遠銷東南亞及中東地區。產品通過國家繼電保護及自動化設備質量監督檢驗中心檢測,獲得ISO9001國際質量體系認證。“科技創新,誠信務實”是公司的經營理念,本公司以高超的技術支持和對用戶高度負責的售后服務贏得了輸配電成套企業的信賴,且樹立了良好的信譽。
上海上繼科技有限公司(專注電力保護繼電器生產廠家)銷售熱線:021-57233089 QQ:1932551438
{以上內容僅供參考,上海上繼科技有限公司有最終解釋權}
更多繼電器精彩文章——JZE-62中間繼電器使用方法及技術條件
- 上一篇:JC-7/22沖擊繼電器
- 下一篇:JC-17/1沖擊繼電器





